Green Pin Grade 6 Square Sunken Hole Dee Shackle
- Grade 6 high tensile steel body and pin, quenched and tempered.
- Hot dipped galvanised finish.
- Conforms to BS EN 13889, ASME B30.26 and meets the W.L.L. performance requirements of US Fed. Spec. RR-C-271, Grade A.
- Minimum breaking load is 6 times the W.L.L.
- Temperature range -20ºC up to +200ºC.
- Key for unscrewing pin supplied separately (E-4170).
- Supplied with an EC Declaration of Conformity
- G-4159
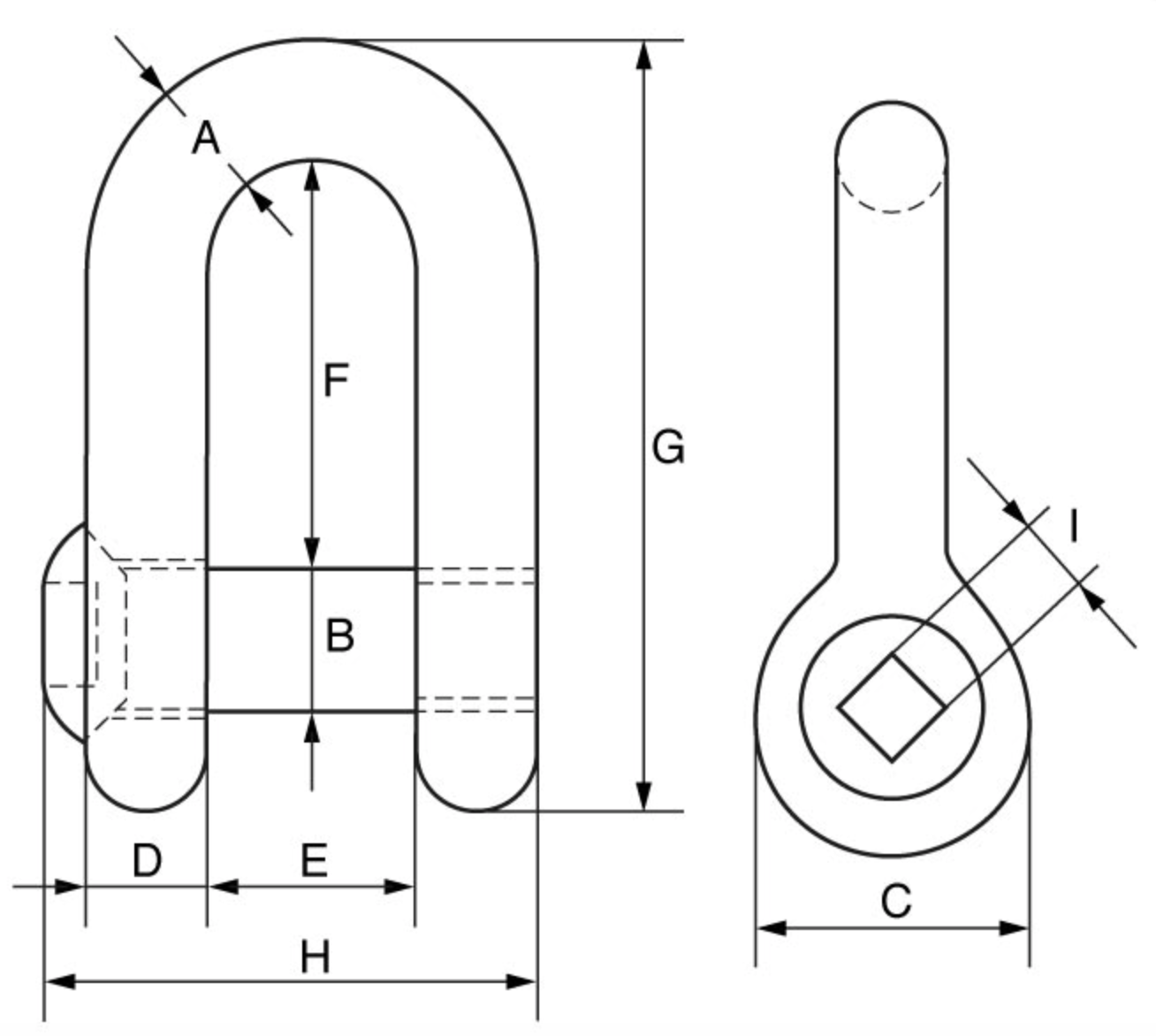
Spec
| SKU |
W.L.L |
A |
B |
C |
D |
E |
F |
G |
H |
I |
Weight |
|
t
|
mm
|
mm
|
mm
|
mm |
mm |
mm |
mm |
mm |
mm |
kgs
|
| 269-32-1 |
2 |
13.5 |
16 |
34 |
13 |
22 |
43 |
81 |
51 |
11 |
0.34 |
| 269-32-2 |
3.25 |
16 |
19 |
40 |
16 |
27 |
51 |
97 |
63 |
11 |
0.6 |
| 269-32-3 |
4.75 |
19 |
22 |
46 |
19 |
31 |
59 |
112 |
74 |
11 |
0.98 |
| 269-32-4 |
6.5 |
22 |
25 |
52 |
22 |
36 |
73 |
134 |
85 |
13 |
1.26 |
| 269-32-5 |
8.5 |
25 |
28 |
59 |
25 |
43 |
85 |
154 |
99 |
13 |
2.14 |
| 269-32-6 |
9.5 |
28 |
32 |
66 |
28 |
47 |
90 |
167 |
110 |
17 |
3.05 |
| 269-32-7 |
12 |
32 |
35 |
72 |
32 |
51 |
94 |
180 |
122 |
17 |
3.56 |
| 269-32-X |
13.5 |
35 |
38 |
80 |
35 |
57 |
115 |
209 |
135 |
17 |
5.17 |
| 269-32-8 |
17 |
38 |
42 |
88 |
38 |
60 |
127 |
230 |
145 |
17 |
6.84 |
Downloads
